ГОСТ 8928-81 Плиты фибролитовые на портландцементе. Технические условияна портландцементе. Технические условия
 

  Главная:
характеристики кирпича.


  Кирпич керамический.
  Кирпич силикатный.
  Кирпич строительный.
  Кирпич облицовочный.
  Кирпич клинкерный.
  Кирпич огнеупорный.
  Кирпич магнезитовый.
  Кирпич-сырец.
  Кирпичная кладка.
  Кладка дымоходов.
  Раствор для кладки.
  Дефекты кладки.
  Сырье для кирпича.
  Количество кирпича.

Кирпичные заводы России
Заводы ЖБИ в России
Строительные компании

Бетонные блоки
  Арболит
Фибролит
  Шлакобетон
  Керамзитобетон
  Газобетонные блоки
  Пенобетонные блоки

  Пескоцементные блоки
  Шлакоблоки дома
  Стеклоблоки


Строительство частного дома.
Архитектурные термины.
Архитектурные стили.
Полезные статьи.
Строительные ГОСТы.


Лента новостей сайта

поделиться в соц. сетях:
 

ГОСТ 8928-81 Плиты фибролитовые на портландцементе. Технические условия.

Группа Ж35
ОКП 57 6861
Взамен ГОСТ 8928-70

Настоящий стандарт распространяется на фибролитовые плиты, изготовляемые из смеси древесной стружки, портландцемента, химических добавок, и устанавливает технические требования к их изготовлению и применению.

Плиты применяют в качестве теплоизоляционного, конструкционно-теплоизоляционного и акустического материала в строительных конструкциях зданий и сооружений с относительной влажностью воздуха в помещении не выше 75%. Фибролитовые плиты относятся к трудносгораемым и биостойким материалам.

1. Марки и размеры

1.1. Плиты в зависимости от назначения подразделяют на марки, указанные в табл. 1.

Таблица 1
Марка плиты Рекомендуемая область применения
Ф-300 В качестве теплоизоляционных материалов
Ф-400 В качестве теплоизоляционно-конструкционных и звукоизоляционных материалов
Ф-500 В качестве конструкционно-теплоизоляционных и звукоизоляционных материалов

1.2. Размеры плит должны соответствовать:

длина - 2400, 3000 мм;
ширина - 600, 1200 мм;
толщина - 30, 50, 75, 100, 150 мм.

По согласованию с потребителем допускается изготовление плит других размеров.Изготовление плит марки Ф-300 толщиной менее 50 мм не допускается.

1.3. Отклонения от размеров плит не должны превышать:

по длине и ширине +/- 5 мм;
по толщине +/- 3 мм.

2. Технические требования

2.1. Плиты изготавливают в соответствии с настоящим стандартом по технологическим регламентам, утвержденным в установленном порядке.

2.2. Для изготовления фибролитовых плит должны применяться портландцемент марки не ниже 400 по ГОСТ 10178-76, древесная стружка по ГОСТ 5244-79 из древесины хвойных пород (ель, сосна, пихта), химические добавки (хлористый кальций, жидкое стекло, известь, сернокислый алюминий) по соответствующим стандартам или техническим условиям. При изготовлении плит допускается применение смеси стружки древесины хвойных и лиственных пород при условии соблюдения требований, изложенных в табл. 2.

Таблица 2
ГОСТ 8928-82 таблица 2.

2.4. Влажность плит, аттестованных по высшей категории качества, должна составлять не более 15%, а предел прочности при изгибе на 25% должен быть выше установленного табл. 2.

2.5. Коэффициент звукопоглощения плит марок Ф-400 и Ф-500 толщиной 30 мм, предназначенных для акустической отделки помещений, не должен быть менее величин, указанных в табл. 3.

Таблица 3
ГОСТ 8928-81 таблица 3.

2.6. Плиты должны иметь прямоугольную форму в плане, ровные и параллельные грани. Разность длин диагоналей плиты и искривления плоскости не должны превышать 3 мм на каждый метр плиты.

2.7. Отклонение от прямого угла профиля боковых поверхностей плиты не должно превышать 4 мм на каждый метр длины плиты.

2.8. Плиты не должны иметь трещин, расслоений, отколотых ребер и углов, комков неперемешанного вяжущего материала, а также древесной стружки, не покрытой цементным раствором. Поверхностный слой плит не должен осыпаться.

3. Правила приемки

3.1. Проверка качества плит на соответствие требованиям настоящего стандарта производится техническим контролем предприятия-изготовителя.

3.2. Приемку и поставку плит производят партиями. Размер партии устанавливается в количестве не более сменной выработки плит одной марки и размера, изготовленных из сырьевых материалов одного вида и качества. Отгрузка плит предприятием-изготовителем должна производиться не ранее чем через 4 суток после их распалубки и при достижении прочностных показателей плит на изгиб не менее 75% нормативных.

3.3. Теплопроводность плит должна определяться предприятием-изготовителем не реже одного раза в полугодие, а коэффициент звукопоглощения акустических плит - не реже одного раза в год.

3.4. Для проверки внешнего вида и размеров от каждой партии отбирают 2% плит, но не менее 3 шт.

3.5. При неудовлетворительных результатах контроля проверяется повторно удвоенное число плит. При неудовлетворительных результатах повторного контроля партии продукция подлежит контролю с разбраковкой по ГОСТ 18242-72, т.е. должна проверяться каждая плита в партии; при этом все плиты, не соответствующие требованиям настоящего стандарта, считают бракованными.

3.6. Для определения предела прочности при изгибе, модуля упругости и влажности от каждой партии отбирают 3 плиты. При неудовлетворительных результатах проверки хотя бы по одному из указанных показателей проводят повторную проверку по этому показателю удвоенного числа образцов, взятых от той же партии. При неудовлетворительных результатах повторной проверки партия плит приемке не подлежит.

4. Методы испытаний

4.1. Размеры плит определяют металлическим измерительным инструментом с погрешностью до 1 мм. Длину и ширину плиты измеряют в трех местах: на расстоянии 100 мм от кромки плиты и посередине. Толщину плиты измеряют на расстоянии 100 мм от каждого края в четырех местах по продольной и поперечной оси плиты. Толщину определяют с помощью двух металлических пластинок, укладываемых сверху и снизу плиты в местах замера. Расстояние между этими пластинами измеряют штангенциркулем. Размеры плит по длине, ширине и толщине вычисляют как среднее арифметическое результатов соответствующих измерений.

4.2. Плотность, влажность и водопоглощение плит определяют по ГОСТ 17177-71.

4.3. Теплопроводность плит определяют по ГОСТ 7076-78.

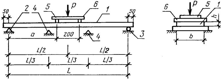
4.4. Определение предела прочности плит при изгибе производят по трем отобранным и измеренным плитам, высушенным в течение четырех суток до влажности 20 +/- 2%. Для испытаний каждую плиту устанавливают на две горизонтальные находящиеся на одном уровне параллельные опоры. Расстояние от оси опоры до торца плиты должно равняться 50 мм. Плита должна опираться на опоры всей шириной. На плиту устанавливают деревянную платформу, связанную двумя брусками, на расстоянии 200 мм между осями так, чтобы середина платформы находилась над серединой плиты (черт. 1). Платформу загружают со скоростью 1 Н/с (0,1 кгс/с) до излома плиты.

Схема испытаний плит
ГОСТ 8928-81 схема испытаний плит
1 - плита; 2 - неподвижная опора; 3 - подвижная опора; 4 - страховые опоры; 5 - платформа; 6 - бруски платформы

Черт. 1 Предел прочности плиты при изгибе ГОСТ 8928-81 Предел прочности., МПа (кгс/мм2), вычисляют по формуле ГОСТ 8928-81 Предел прочности.,
где P - разрушающая нагрузка плиты (с учетом массы платформы),
Н (кгс);m - масса плиты, Н (кгс);
a - расстояние от оси опор до оси бруска платформы, мм;
l - расстояние между осями опор, мм;
b - ширина плиты, мм;
h - толщина плиты, мм.

Предел прочности плит при изгибе для партии вычисляют с погрешностью до 0,01 МПа (0,001 кгс/мм²) как среднее арифметическое значение результатов испытаний трех плит.

4.5. Для определения модуля упругости при изгибе фибролитовых плит марок Ф-400 и Ф-500 испытанию подвергают три плиты, отобранные для механических испытаний. Испытуемые плиты должны быть высушены в течение суток до влажности 20 +/- 2%.

Загружение плит при определении модуля упругости производится в соответствии с требованием п. 4.4. Схема установки для испытаний плит приведена на черт. 2.

Схема установки для испытаний плит
ГОСТ 8928-81 схема установки для испытаний плит.Черт. 2
1 - плита; 2 - неподвижная опора;
3 - подвижная опора; 4 - страховые опоры;
5 - платформа; 6 - кронштейн; 7 - струбцина;
8 - прогибомер; 9 - проволока; 10 - гиря

Для определения модуля упругости при изгибе измеряют прогибы плиты от трехкратного ее нагружения.

Измерение прогиба плиты производят прогибомером, укрепленным на неподвижном кронштейне. Для этого посредине продольной стороны плиты устанавливают струбцину и присоединяют к ней проволоку, огибающую ролик прогибомера, с грузом 10 Н. Затем на платформу помещают груз (с учетом массы платформы), равный 1/3 разрушающей нагрузки. Груз прикладывают со скоростью 10 Н/с. Через две минуты после окончания загружения плиты снимают показания прогибомера. После этого нагрузку вместе с платформой удаляют и вновь снимают показания прогибомера. Прогиб плиты определяют как разность показаний прогибомера под нагрузкой и после ее снятия. За размер прогиба принимают среднеарифметическое значение результата трех определений.

Модуль упругости при изгибе E, МПа, определяют по формуле ГОСТ 8928-81 модуль упругости.
где f - среднее арифметическое значение результата трех определений прогиба от нагрузки, мм.

Модуль упругости при изгибе вычисляют с погрешностью до 1 МПа для партии как среднеарифметическое результатов испытаний трех плит.

5. Маркировка, упаковка, транспортирование и хранение

5.1. Плиты должны храниться в контейнерах или на поддонах рассортированными по маркам и размерам. При отсутствии контейнеров и поддонов изделия хранятся в пакетах или штабелях не более 20 шт. по высоте.

5.2. На каждом контейнере, пакете, штабеле должна быть прикреплена бирка со штампом ОТК, на которой указывается наименование завода и марка плит.

5.3. Каждая партия плит должна сопровождаться документом установленной формы, удостоверяющим их качество, в котором должно быть указано:
наименование предприятия-изготовителя, его товарный знак и адрес;
номер партии и дата изготовления;
марка и размеры;
количество плит в партии;
результаты испытаний;
обозначение настоящего стандарта;
изображение государственного Знака качества по ГОСТ 1.9-67, если плиты аттестованы по высшей категории качества.

5.4. Транспортирование плит производится в контейнерах, на поддонах или в пакетах, скрепленных деревянными рамками, любыми транспортными средствами.

5.5. При погрузке, выгрузке, хранении и транспортировании должны быть приняты меры, предохраняющие плиты от увлажнения.



 

Для связи: uvo70@yandex.ru

Использование материалов сайта
при условии обязательной гиперссылки на данный ресурс.